INTRODUCCION
El desarrollo de sistemas de accionamiento motor más eficientes, mas compactos es la principal prioridad de los fabricantes de EVs y HEVs así como de la industria ferroviaria, aparte de otros sectores de la economía, donde las compañías han empezado a usar semiconductores de potencia SiC con el fin de aumentar la eficiencia y reducir el tamaño de los inversores que son el componente principal de los sistema de accionamiento motor.[1][2][3]. Las ventajas que se esperan de los semiconductores de potencia SiC incluyen componentes pasivos de menores dimensiones gracias a altas frecuencias de conmutación y menores perdidas en el rendimiento gracias a los valores bajos de resistencia. La medida con exactitud de la potencia es una condición previa crítica para evaluar los sistemas de accionamiento motor, pero la medida de potencia de los inversores SiC requiere una medición de alta precisión a través de una mayor banda de frecuencias que en el pasado. Este documento presenta distintos temas incluyendo datos importantes relacionados con las medidas de potencia, eficiencia y perdidas de los inversores SiC y los sistemas de accionamiento motor, junto con resultados de medidas reales.
MIDIENDO LA EFICIENCIA DE INVERSORES Y MOTORES
Durante la evaluación de sistemas de accionamiento motor que incorporan inversores y motores, es posible medir la eficiencia y pérdidas midiendo la entrada y salida de potencia del inversor y del motor y después calcular el ratio o la diferencia entre los valores de entrada y salida. La Figura 1 proporciona un diagrama de medida representando la medida de la eficiencia en un sistema de accionamiento motor estándar.
La salida de los inversores y motores fluctúa constantemente. Consecuentemente, las medidas precisas son complicadas debido a sincronizaciones imperfectas de las temporizaciones de las medidas y por las diferencias en los métodos de cálculo cuando se calcula eficiencia y perdidas por medición de los distintos puntos con distintos instrumentos. De este modo, es necesario tomar todas las medidas de manera simultánea, así como usar el mismo instrumento para todas ellas o a través de un control sincronizado de múltiples instrumentos. Este requisito se puede cumplir usando un analizador de potencia. Los analizadores de potencia estándar proporcionan entre cuatro y seis canales de medida de potencia junto con la funcionalidad de análisis de motores,
permitiendo así, medir la eficiencia y pérdidas con un alto grado de precisión.
Entrando más detenidamente en el proceso de medida, los resultados varían dependiendo de cómo se defina el periodo de tiempo durante el que se realizan los cálculos de potencia. Los analizadores de potencia determinan el periodo de tiempo durante el que se realizan los cálculos detectando eventos zero-cross en las formas de onda de entrada. Hablando coloquialmente, el canal correspondiente a la señal para la que se detectarán eventos zero-cross se puede ajustar como se desee así como la fuente de sincronización. Ajustando la fuente de sincronización óptima, se activa la medida estable de potencia, haciendo posible la medida de eficiencia y pérdidas con un alto grado de precisión. Por ejemplo, si el inversor es alimentado a la entrada en DC, los periodos de cálculo pueden ser sincronizados ajustando la misma fuente de sincronización para los canales de entrada y de salida. De este modo, es posible medir la eficiencia y las pérdidas de una manera estable. En el ejemplo mostrado en la Figura 1, la potencia en dos puntos y la potencia motor en un punto son medidas de una manera estable ajustando la fuente de sincronización para todos los canales a la corriente de salida del inversor.
MIDIENDO LA POTENCIA DE ENTRADA EN UN INVERSOR
Para medir eficiencia y pérdidas, es necesario medir la potencia que entra en el inversor. Esta entrada de potencia servirá como la base para las medidas de eficiencia y pérdidas. En términos generales, tanto la potencia comercial AC como DC se usan como entrada de inversor. Si los valores obtenidos por la medida de potencia en la entrada y la salida contienen un componente de error, tendrá un efecto significativo sobre los valores de eficiencia y pérdidas. Como consecuencia, es necesario medir la potencia en la entrada del inversor con un alto grado de precisión. Por ejemplo, un error del 0.5% en el valor de potencia medido de un inversor con una eficiencia del 99% resultara en un error del 50% para las perdidas. Aunque es posible calcular la potencia usando un registrador de forma de onda de propósito general, se debe tener mucho cuidado para asegurar que el suficiente nivel de precisión se ha definido para la banda que se desea medir.
Se debe garantizar una precaución durante las medidas de potencia DC, las cuales deben ir precedidas de un ajuste del analizador de potencia y del offset DC de los sensores de corriente. Si el analizador de potencia proporciona la función zero-adjustment, realizar el “zero-adjustment” después de la puesta a cero de la entrada del analizador de potencia y de los sensores de corriente. De este modo, es posible realizar medidas precisas en DC cancelando el offset DC de los instrumentos.
MIDIENDO LA SALIDA DE POTENCIA DE UN INVERSOR
Los inversores generan una salida PWM-modulada que incluye la frecuencia de conmutación y sus componentes armónicos. De este modo, la medida de potencia debe ser realizada en una banda más grande que cuando se mide DC o frecuencia de la potencia comercial.
Estudiemos la banda que se necesita para medir potencia en la frecuencia de conmutación y en sus armónicos. La Figura 2 proporciona un circuito equivalente para un motor que es accionado por un inversor. Puesto que los bobinados del motor tienen una componente inductiva, es menos probable que corrientes de alta frecuencia fluyan al motor. Puesto que la tensión es una forma de onda PWM, se puede aproximar a una onda rectangular. En este momento, la corriente tendrá el aspecto de una forma de onda triangular. Cuando se calculan valores RMS para una forma de onda triangular en el dominio de la frecuencia, las medidas pueden producir valores RMS con un error del 0.1% o menores si se pueden medir armónicos de 5º orden. Aquí la potencia activa Pf se puede expresar como una función de la tensión Uf, la corriente If, y la diferencia de fase tensión-corriente qff como se ve a continuación:
Pf = Uf · If · cosqff (1)
De este modo, si tanto la tensión como la corriente es 0, la potencia activa para esa componente de frecuencia será 0. Asumiendo medidas de una precisión de 0.1%, la corriente con componentes armónicos de 7º orden o superiores se puede ignorar, como se ha visto anteriormente. Por lo tanto, es suficiente con medir tensión, corriente y diferencia de fase de manera precisa dentro de la banda de 5 a 7 veces la frecuencia de conmutación para medir potencia en la frecuencia de conmutación y sus armónicos con un error de 0.1% o menor. Sin embargo, las perdidas en un motor real incluyen las perdidas magnéticas debidas al material del núcleo así como las pérdidas debidas a diversos factores como por ejemplo los efectos en la superficie de los cables además de la porción de resistencia mostrada en la Figura 2. En consecuencia, una banda de frecuencia algo mayor es necesaria para medir la potencia con más precisión en la frecuencia de conmutación y sus armónicos. La banda que realmente se necesita está afectada por factores tales como las características de frecuencia de las respectivas perdidas.
La Figura 3 muestra las formas de onda de tensión y corriente reales de un motor accionado por un inversor SiC, así como los resultados FFT asociados. La Tabla 1 proporciona información detallada acerca de las medidas objetivo.
Puesto que la tensión tiene una forma de onda PWM, un análisis de los resultados FFT revela componentes de frecuencia superiores a 1 MHz. Los analizadores de potencia estándar no proporcionan una banda de medida suficiente para medir las formas de onda de tensión con el grado de precisión requerido.
Observando la corriente, es evidente que las componentes de la corriente no exceden los 200 kHz. Además, la forma de onda se parece a una onda senoidal. Esta forma se deriva del hecho de que la componente inductiva del motor hace que sea menos probable que fluyan corrientes de alta frecuencia, como se ha descrito anteriormente.
De este modo, es deseable usar un analizador de potencia con características favorables para tensión, corriente y diferencia de fases en la banda de al menos 5 o 7 veces la frecuencia de conmutación para permitir una medida de potencia precisa en la salida del inversor.
En este sentido, el uso de frecuencias de conmutación cada vez más altas para inversores SiC tiene el efecto de requerir una banda de frecuencia mayor.
En general, los sensores de corriente se usan cuando se mide la corriente en un sistema de accionamiento motor. En este tipo de aplicaciones, el error de fase de los sensores de corriente se convierte en una problemática. Todos los sensores de corriente tienen una tendencia a mostrar mayor error de fase a altas frecuencias, y esta tendencia se convierte en una fuente de error cuando se mide potencia a altas frecuencias. Como se muestra en la Figura 2, la componente inductiva de los bobinados del motor es dominante a altas frecuencias. Como resultado, la potencia en la frecuencia de conmutación y sus armónicos está caracterizada por un bajo factor de potencia. Basado en la Ecuación (1), el error de fase tiene un impacto muy grande en el error de medición de potencia a valores de factor de potencia bajos (valores de q de aproximadamente 90°). Por lo tanto, no es posible medir potencia con un alto grado de precisión a no ser que el error de fase de los sensores de corriente se pueda corregir. El Analizador de Potencia PW6001 de Hioki proporciona funcionalidades para compensar el error de fase de los sensores de corriente, como se muestra en la Figura 4. Esta función de compensación de fase hace posible realizar mediciones de potencia más precisas a la salida del inversor.
MIDIENDO LA POTENCIA DE UN MOTOR
Para medir la eficiencia general y las pérdidas de un motor o de un sistema de accionamiento motor, es necesario medir la potencia del motor. Para calcular la potencia motor usando la Ecuación (2), tenemos que medir el par y las rpm.
Pm = T · 2 · π · n / 60 (2)
Pm [W]: Potencia Motor
T [N·m]: Par
n [rpm]: rpm Motor
Las rpm del motor se miden usando un tacómetro o un encoder de pulsos, mientras que el par se mide usando un medidor de par. Para medir la eficiencia y las perdidas, es necesario medir la potencia y la potencia motor al mismo tiempo. Por lo tanto, necesitamos usar un analizador de potencia que pueda aceptar señales de entrada desde un tacómetro, encoder de pulsos, y un medidor de par.
EJEMPLO DE MEDIDA DE LA EFICIENCIA DE UN INVERSOR CON SEMICONDUCTORES DE POTENCIA SIC
La figura 5 muestra los resultados de medir la eficiencia de un inversor SiC accionando un motor.
En este caso se ha utilizado un Analizador de Potencia PW6001 de Hioki y una Current Box PW9100, y la figura muestra los resultados de la medida mientras se varia la frecuencia de corte del LPF del PW6001 entre 1 kHz a 2 MHz. Los objetivos de la medida son los mismos que los descritos en la Tabla 1. Los valores medidos de eficiencia cambian de manera considerable alrededor de la frecuencia de corte entre 10 kHz y 50 kHz. Este cambio refleja la diferencia cuando se mide la potencia en la frecuencia de conmutación y sus componentes armónicas. En definitiva, valores de eficiencia en 10 kHz y por debajo derivan en medir solamente la potencia a la frecuencia fundamental, la cual se sincroniza con las rpm del motor, y sus componentes armónicas.
Por otro lado, valores de eficiencia en y por encima de 50 kHz derivan también en medidas de la potencia en la frecuencia de conmutación y sus componentes armónicas. En y por encima de 50 kHz, los valores de eficiencia se incrementan del mismo modo que se incrementa la frecuencia de corte. Este cambio es el resultado de la habilidad de medir las componentes armónicas de elevado orden en la frecuencia de conmutación.
De esta manera, el Analizador de Potencia PW6001 es capaz de realizar medidas de un sistema de accionamiento motor, tanto de eficiencia como de perdidas, con una alta precisión y estabilidad incluso en la banda de 2 MHz, esto indica que el instrumento puede medir eficiencia y perdidas basándose en una medición precisa de la potencia en la frecuencia de conmutación y sus componentes armónicas.
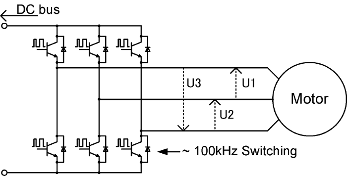
EFECTOS DE LA TENSION EN MODO-COMUN
La Fig. 6 proporciona un esquema de cableado de tensión describiendo la medida de la salida de potencia de un inversor 3-fases/3-hilos. Como el analizador de potencia mide la tensión de línea, una gran tensión de modo-común se aplicara a través de sus canales. Además, esta tensión de modo-común incluye frecuencia de conmutación y sus componentes armónicas asociadas. En consecuencia, es necesario realizar mediciones con un analizador de potencia que tenga un alto coeficiente de rechazo al modo-común (CMRR) para altas frecuencias. Un CMRR de 80 dB tiene un efecto de 0.01% de la tensión en modo-común en los valores mostrados. En otras palabras, si la tensión de modo-común de entrada es de 100V, habría un efecto de 0.01 V en los valores de la pantalla.
La Fig. 7 muestra los resultados de las medidas de tensión de línea y tensión en modo-común de un inversor SiC. Los resultados FFT son similares a los resultados mostrados en la Fig. 3, dejando claro que la tensión en modo-común incluye frecuencia de conmutación y sus componentes armónicas. En consecuencia, se puede concluir que así como se incrementa la frecuencia de la frecuencia de conmutación, también lo hace la de la tensión de modo-común.
Los inversores que usan semiconductores de potencia SiC se están diseñando con frecuencias de conmutación cada vez más altas. Como resultado, es recomendable elegir un analizador de potencia con un alto CMRR para altas frecuencias.
RESPUESTAS ANTE EL RUIDO DE LOS SENSORES DE CORRIENTE
Cuando se mide un motor o inversor con un alto valor nominal, se hace necesario medir grandes corrientes del orden de varios cientos de amperios.
Es una práctica común usar sensores de corriente cuando se miden corrientes altas. Los inversores producen grandes cantidades de ruido, y es esencial tomar medidas para hacer frente a los efectos del ruido en los propios sensores y en la ruta por la que se transmiten las señales de salida de los sensores de corriente, para asegurar medidas precisas de potencia. Hioki ofrece una línea de sensores de corriente de alta precisión con unas características idóneas para su uso con analizadores de potencia. En consecuencia, es posible realizar medidas de potencia de una manera que sean altamente resistentes al ruido, simplemente conectando el analizador de potencia y los sensores de corriente con un conector especifico [4][5].
BANDA DE FRECUENCIA Y FRECUENCIA DE MUESTREO EN LOS ANALIZADORES DE POTENCIA
La Fig. 8 representa la relación entre la frecuencia de muestreo y la banda analógica en un analizador de potencia estándar. La banda analógica de los circuitos de entrada de la mayoría de los analizadores de potencia es superior a la mitad de la frecuencia de muestreo fs (es decir, fs / 2). En estos instrumentos, las componentes de tensión y corriente que existen en frecuencias mayores de (fs / 2) aparecen en el dominio de baja frecuencia como ruido acoplado. Este fenómeno generalmente se conoce como aliasing.
Cuando se miden elementos que incluyen componentes de frecuencia a lo largo de un amplio ancho de banda, como una forma de onda PWM, se hace imposible distinguir entre el ruido acoplado y la señal real. El resultado de este fenómeno es la medida de un error adicional y una reducción de la repetibilidad en la medida de potencia. Por otra parte, resulta imposible distinguir entre el ruido acoplado y los armónicos reales en el análisis de armónicos. El resultado es que un análisis preciso se hace imposible y, por ejemplo, es más probable la detección de componentes armónicos falsos.
Como se muestra en la Fig. 3, la salida de tensión de un inversor incluye componentes superiores a 1 MHz. Los analizadores de potencia estándar tienen frecuencias de muestreo entre 100 kHz hasta unos 5 MHz. En consecuencia, hay componentes de tensión a frecuencias por encima de (fs / 2). En estos casos, la medida precisa no es posible cuando la banda analógica y la frecuencia de muestreo se relacionan como se muestra en la Fig. 8. Para permitir una medición precisa, es necesario limitar la banda analógica en un valor menor de (fs / 2). En otras palabras, la banda que en realidad se puede utilizar es menos de la mitad que la frecuencia de muestreo.
De este modo, cuando se mide y analiza la salida de potencia de un inversor, es necesario usar un instrumento de medida que haya sido diseñado acorde con los principios de muestreo. Los analizadores de potencia de Hioki están diseñados de este modo. Por ejemplo, el analizador de potencia PW6001 tiene una frecuencia de muestreo de 5 MHz, frente a una banda analógica de 2 MHz/-3 dB. En consecuencia, el instrumento es capaz de realizar una medida simultánea en todo el ancho de banda de la potencia, un análisis preciso de armónicos y un análisis preciso FFT.
RESUMEN
Este documento presenta las consideraciones más importantes que entran en juego cuando se mide la eficiencia y las pérdidas de inversores y motores a la vez que se ofrecen ejemplos de medidas reales, así como temas relacionados con los requisitos para los instrumentos de medida utilizados en este tipo de aplicaciones. Se ha dedicado especial atención a las consideraciones que se aplican al medir inversores SiC, los cuales han ido entrando en uso cada vez más generalizado en los últimos años, en comparación con los inversores convencionales. También se han presentado resultados de medidas reales para demostrar como la eficiencia y las pérdidas de los inversores SiC se pueden medir con un alto grado de precisión y estabilidad mediante la eliminación de diversas fuentes de error. Es la intención del autor que las discusiones sirvan como una guía útil en las medidas de potencia, eficiencia y pérdidas en los sistemas de accionamiento motor con inversores SiC.
Referencias:
[1] Thal, E., K. Masuda, and E. Wiesner, “New 800A/1200V Full SiC Module” Bodo’s Power Systems, April 2015, pp.28-31.
[2] Fuji Electronic, “Joint Development of Converter-Inverter for The Tokaido Shinkansen Cars Using SiC Power Semiconductor Modules” http://www.fujielectric.com/company/news/2015/20150625120019879.html
[3] Mitsubishi Electric, “Mitsubishi Electric's Railcar Traction Inverter with All-SiC Power Modules Achieves 40% Power Savings” http://www.mitsubishielectric.com/news/2015/0622-a_print.html
[4] Yoda, H., H. Kobayashi, and S. Takiguchi, “Current Measurement Methods that Deliver High Precision Power Analysis in the Field of Power Electronics” Bodo’s Power Systems, April 2016, pp.38-42.
[5] Ikeda, K., and H. Masuda, “High-Precision, Wideband, Highly Stable Current Sensing Technology” Bodo’s Power Systems, July 2016, pp.22-28.
